咨詢熱線
173 5651 3571
一、概述
DDSYF6607單相電子式遠程預付費電能表(以下簡稱“儀表”)是根據居民實際用電狀況所設計、制造。它具有較高的準確度和可靠性。
本儀表采用先進的電能計量專用芯片,與成熟的復費率、預付費技術相結合設計而成,應用16位數字采樣處理技術及SMT工藝制造的高新技術產品。關鍵元器件選用國際知名品牌的長壽命器件,提高了產品的可靠性和使用壽命,數據顯示采用大屏幕液晶,便于抄表。
該儀表能實現分時計量預付費,設定日抄表,掌上電腦編程及抄表等功能;可設置2個時區,4種費率,12個日時段;并具有紅外和485通訊功能,可實現遠距離抄表,通信規約可支持DL/T 645-2007《多功能電能表通信規約》,為用電自動化管理提供了必備的條件。
其性能指標符合GB/T 17215.321-2008《1級和2級靜止式交流有功電度表》中對電子式有功電度表的技術要求,符合GB/T15284-2002《多費率電能表 特殊要求》對復費率電能表的技術要求,并符合GB/T18460-2001《IC卡預付費售電系統》的各項技術要求。
二、主要功能
遠程預付費電能表具有以下基本功能:
2.1 分時有功正、反向電能計量,可分為4種費率、12個時段、2個時區。
2.2 帶階梯功能,最可設4個階梯,每個階梯的電量和電價可分別設定。
2.3 可通過掌上電腦進行紅外通訊、完成編程設置和抄表。
2.4 可實現參數輪顯,輪顯的參數(不超過32項)和時間間隔可預先設置,參數輪顯的順序也可任意設定。
2.5 帶光耦隔離有功無源脈沖輸出接口,脈沖常數和電表常數相同。
2.6 記錄12個月的有功總電量和分時電量,并可通過紅外或485方式抄表。
2.7 具有編程禁止功能和數據清零功能。
2.8 支持部規約的縮位抄表。
2.9 具有先購電后用電,并在指定抄表日自動凍結每月的各費率用電量。
2.10可使用IC卡進行參數設置和抄表。
2.11采用一表一卡方式,IC卡內數據多重校驗和加密,安全可靠。
2.12 每次購電能通過電卡進行雙向傳遞數據。
2.13 能設置非工作營業時段和應急賒欠限量。
2.14 在額定電流范圍內能限制最大使用功率(由供電部門限定)。
2.15 具有外接報警輸出接口。
3.16 具有內置聲、光報警、跳閘斷電功能
a.當超負荷時,通過報警跳閘是否允許選擇可以控制報警和跳閘信號輸出。
b.當剩余電量小于或等于報警設定值,通過報警、跳閘是否允許選擇電表可以控制報警和跳閘信號輸出與否。
c.當剩余電量等于零,電表輸出跳閘信號。
3.15 具有遠程抄表、遠程拉合閘及遠程售電功能。
三、工作原理
電能表工作時,電壓、電流經取樣電路分別取樣后,由電能處理專用集成電路經乘法運算后,送到CPU進行處理,最后,CPU將處理過的數據根據需要送至顯示部分、通訊部分等輸出設備。
由計算機管理信息系統,通過IC卡讀寫器,寫入一定電量和監控要求的IC卡輸入表內微處理器系統,經CPU運算后,提供顯示、報警、切斷狀態信號。
該儀表工作原理如圖1所示。
四、技術指標
4.1準確度等級 有功1.0 2.0 級
4.2參比電壓 220V
4.3額定電流 1.5(6)A、2.5(10)、5(20)A、10(40)A、15(60)A、20(80)A
4.4額定頻率 50Hz
4.5起動電流1級:≤0.004In
2級:≤0.005In
4.6潛動 具有防潛動邏輯設計
4.7外型尺寸 168mm×110mm×61mm
4.8重量 約1 kg
4.9電氣參數
正常工作電壓
0.9Un~1.1Un
極限工作電壓
0.75Un~1.15Un
電壓線路功耗
≤2W和5VA
電流線路功耗
<1VA
數據備份電池電壓
3.0VDC
4.10費率工作參數
時鐘準確度(日誤差)
≤0.5S (23℃)
電池容量
≥1000mAh
停電后數據保存時間
≥10年(用新電池)
4.11氣候條件
正常工作溫度
-20℃~+50℃
極限工作溫度
-30℃~+60℃
存貯和運輸溫度
-40℃~+70℃
存儲和工作濕度
≤85%
4.12技術參數
費率數
4
時段數
12
時區數
2
計度范圍
0~999999.99 kWh
顯 示
液晶(LCD)
通訊波特率
RS485:1200bps~9600 bps、紅外口:1200bps
通訊規約
《DL/T645-2007多功能電能表通信規約》
五、顯示符號說明
全屏顯示效果圖
具體各顯示項參見《附錄3:功能附錄表》
六、電表圖
圖電表實物
圖指示燈說明
七、編程說明
7.01 編程允許。由授權人打開電能表編程開關按鈕(通過IC卡傳送信號完成),LCD顯示屏編程符號,電能表即處于編程狀態,此時可用掌上電腦與電能表通訊完成編程設置。
7.02 數據清零。如電能表處于清零允許狀態,用清零卡完成電表內部電量數據、歷史記錄數據全部清零。
7.03 編程禁止。當電能表編程完畢后(通過IC卡傳送信號完成),按一下編程開關按鈕,LCD顯示屏編程符號消失,此時電能表處于編程禁止狀態,電能表的內部參數只能被讀出,而不能被修改。只能對在規定誤差之內的電表進行校時。
注:為防止編程開關打開后忘記關閉,被非授權人操作,表內特別設置10分鐘準許編程時間,當時間超過時,電表即自動編程禁止。
7.04 表號、出廠編號:掌上電腦與電能表通訊的識別號。在抄表或設表時,必須輸入電能表的表號或出廠編號,掌上電腦才能和電能表正常通訊。表號也可以在用戶開戶配表分配通過購電卡傳遞。出廠編號在電表出廠時分配,印刷在電表銘牌上。
7.05 輪顯時間:輪顯時每一項數據的顯示時間,缺省輪顯時間為4秒。
7.06 輪顯內容編碼:用戶根據需要編設的輪顯內容的編碼,詳見附錄3。
7.07 自動抄表日期及時間:可編程設定抄表日期及時間。如該項編為28 00,則電表將于每月的28日的0時自動將當時的數據存到上月的記錄中。用戶可根據需要設定其內容。
7.08 主副時段:可設定兩個時段,即兩套費率,例如夏時制等。
7.09 副時段起止日期:如設置起始日期040503 停止日期041003。
7.10 時段及費率號:尖費率號為01;峰費率號為02;平費率號為 03;谷費率號為04。
7.11 公共假日:一次可以設置24天公共假日。
7.12 周休日:可以指定每周中周休日。
7.13 非營業時段:可以設置每天的非營業時段。如:18:00-08:30
7.14 應急賒欠限量:可以設置在公共假日、周休日、非營業時段時允許用戶應急賒欠的限額,以上管理參數都可以通過預置卡、購電卡由管理系統傳遞到用戶電表。
7.15 日期:應為當前準確日期。
7.16 時間:應為當前準確時間。日期、時間應定期進行現場校對。
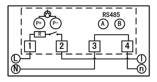
八、安裝與接線
8.1 儀表在出廠前經檢驗合格并加鉛封。在安裝使用前,應檢查鉛封是否完好,鉛封完好即可安裝使用,對無鉛封或貯存期過久的儀表,應請有關部門重新檢驗后,合格的可安裝使用。
8.2 儀表應安裝在室內通風干燥的地方,用三個螺釘固定,按圖1所示的安裝尺寸(150×231)在底板上先鉆好孔,底座應固定在堅固、耐火、不易震動的物體上,確保安裝使用安全、可靠,在有污穢或可能損壞儀表的場所,儀表應用保護柜保護。
8.3 儀表應按接線圖正確接線。接線端鈕盒的引入線建議使用銅線或銅接頭, 端鈕盒內螺釘應擰緊,避免因接觸不良或引線太細發熱而引起燒毀。
8.4 儀表按上述正確接線通電后即進入正常運行狀態
8.5 接線圖
圖接線圖
九、運輸和存貯
產品在運輸和拆封時不應受到劇烈沖擊,并根據GB/T5464-1995《儀器儀表包裝通用技術條件》規定運輸和存貯。
庫存和保管應在原包裝條件下存放在支架上,疊放高度不應超過5層。
保存的地方應清潔,其環境溫度應為0~40℃,相對濕度不超過85%,且在空氣中不含有足以引起腐蝕的有害物質。
十、保證期限
電能表自售出日起,在用戶遵守說明書規定要求,且制造廠鉛封仍完整的條件下,若發現電能表不符合技術條件所規定的要求時,公司給予1年包換,3年包修,終生維護.
附錄1 預付費功能說明
一、正常使用
具有預付費功能的電能表,采用IC卡進行購電、管理工作。并有多種功能卡如預置卡、購電卡、查電卡、清零卡等進行設置、購電、檢查、復位操作。
新表安裝:(已清零和復位、功能正常的電表,以下均稱新表)使用時,先使用預置卡進行預置負荷控制、主時段、副時段、抄表日、輪顯項等參數。
時鐘校對:必須使用抄表器進行廣播對時。
開戶配表:使用上位機軟件“售電管理系統”開戶,交納本次購電的預收款。將生成的用戶卡插入新表,即完成開戶和一表一卡的配對。
用戶購電:管理系統根據用戶卡返回的電表的總、峰、平、谷的用電量結算用戶實際應收電費。并交納本次購電的預收款。新的負荷控制、副時段、抄表日、公共假日等參數也寫入購電卡并傳遞到電表。
為方便實時操作,本表還可使用掌上電腦或紅外遙控器進行編程參數設置,參數編程的內容為復費率相關參數,預付費部分設置參數必須由預置卡和購電卡傳遞設入。
二、檢查功能
一張查電卡能檢查一塊表,使用查電卡可便于用電管理部門對任一塊電表參數數據進行檢查,可將電表內重要數據如電能量、購電量、剩余電量等回寫至查電卡,查電卡回寫的數據內容可由售電管理系統讀出。
三、管理功能
3.1負荷控制設置
按照用戶類型和供電季節可以制定對用戶的用電負荷控制的政策,對尖、峰、平、谷進行不同的負荷管理,達到“削峰填谷”的管理目的。 運行)時,打開電表,將已開戶電表內保存數據的E2PROM顯示板拔出,更換至新表中,則此新表就可以代替原表使用,所有數據和故障表相同。(電表銘牌也要更換到新表)
(2)當允許負荷、剩余電量分別超過預先設定值以及電表的可用電量為零時,電表將輸出報警或跳閘信號。
注意:當報警和跳閘同時選擇,跳閘優先于報警。
(3)當電表剩余電量為0,而由于應急賒欠或其它原因使外部供電回路未能斷開,電表將開始計算透支電量,并在下次購電卡插入時自動減去該透支電量。
五、各種功能卡說明
5.1設置卡
設置卡是在電表安裝后,售電系統制作的設置卡,對本系統的電表進行基本參數設置,只有經過設置設置后的電表才可以進行開戶購電。
5.2預置卡
出廠后新表可以直接進行安裝。用“預置卡”預置指定的“預置電量”、多費率擴展數據后即能通電使用。并從出廠狀態轉入安裝狀態。預置電量作為電表內部的“賒欠限量”處理,在插入購電卡時能自動扣除。注:也可以由生產廠家預置。
預置卡可以通用,對相同規格的電表進行設置,可重復使用。由裝表人員使用管理。
安裝狀態的電表等待一表一卡配對,才能接受購電開戶卡。
預置卡的電量由售電管理系統寫入,電量可寫0至100元。
沒有開戶前的電表,可以多次接受預置卡,以最后一次預置數據有效。
注:預置卡也可用于對電表進行測試、走字試驗,試驗完畢后用清零卡清零。
5.3購電卡
用戶持購電卡到售電部門購電,售電部門通過售電管理系統將用
戶購電電量寫入購電卡。購電卡采用一表一卡方式,各用戶表的購電卡相互之間不通用,售電管理系統保存用戶所存的原始記錄。
若囤積限量設置為最大值9999元時,則用戶一次最多購電量為9999元。而當本次購電電量與表中剩余電量之和大于囤積限量時,電表顯示“009999.00”,卡內購電量不會寫入表內,待剩余電量和本次購電量之和小于囤積限量時,再插購電卡,本次購電量才被讀入。
當購電卡插入電表后,待電表確認用戶號、密碼都無誤,購電量寫入電表。購電卡具有對電表運行數據回寫的功能,如將當前電量、剩余金額、電表狀態、上3月電量等數據回寫到購電卡,通過售電管理系統讀出,以便于管理。
系統也可根據實際需要,在售電時傳遞公假日數據、主副時段、負荷控制方式等參數。此項功能可在售電管理系統軟件中選擇設置。
5.4查電卡
一張查電卡能檢查一塊表,使用查電卡可便于用電管理部門對任一塊電表參數數據進行檢查,可將電表內重要數據如電能量、購電金額、剩余金額等回寫至查電卡,查電卡回寫的數據內容可由售電管理系統讀出。
在第一次查電卡顯示未結束時再次插入查電卡能檢測繼電器能否正常跳閘。
5.5清零卡
可以對檢驗測試后的電表進行清零復位,(可多次使用)恢復電表狀態到出廠狀態重新投入使用。
清零卡的使用條件:
(1)、編程鍵按下,處于編程狀態。
(2)、電表通電2分鐘內。
5.6抄表卡
電卡用途:用于對制造過程和用戶使用中的電表數據抄錄。一張
抄表卡最多能抄收100塊表的數據。抄表數量超過100塊時,最后抄收的數據將覆蓋第100塊表數據。
注意:抄表卡只返回預付費部分的內部數據。
如果要抄收多費率部分的歷史記錄和其它數據應使用抄表器進行抄收。
5.7測試卡
電卡用途:用于制造過程和驗收檢驗時對電表性能測試、復檢和工藝老化程序中快速檢查評定。
附錄2 用戶注意事項說明
1、 一表一卡:
用戶持有的IC卡不能互換,遺失時應到供電部門(售電處)補購一張。
2、 購電準備:
購電前,用戶須將IC卡插入電表一次,便于將表內數據送回計算機數據庫。
3、 購電時,請申明要購的電量、報警提醒電量。
4、 電卡使用:將購電卡插入電表內,如是有效購電卡,則電表自動將數據讀入表內,LCD顯示屏依次顯示:總購電量、剩余電量、透支電量、購電量、電表次數等購電信息。拔卡請妥善保存。
5、 運行顯示:電表運行過程中,輪流顯示表內總平電量、峰谷電量、剩余電量、運行時段。
6、 超容報警:電表運行過程中,如“報警”LED指示燈快速閃爍顯示,則警告用戶已超容用電。如該電表被設置為超容斷電限容方式,則超容用電30秒后,將拉閘3分鐘,并倒計時顯示(180秒)恢復供電時間;用戶插卡響應可立即恢復供電。
7、 囤積限量:如果購電量+剩余電量>囤積限量(例如:9999kWh),則購電量不讀入,顯示器顯示“ NNNNNN”提示,卡內電量仍有效。
8、 預警提醒:當表內剩余電量小于“報警電量”的2倍時,“報警”LED指示燈將閃爍(間隔為1秒)顯示提醒用戶購電,此時如果用戶插卡響應,“報警指示燈”閃爍間隔變為2秒,可以避免斷電警告。
9、 斷電警告:如在預警提醒時用戶未插卡響應,則當剩余電量為用戶約定的報警電量(或本次購電量的10%)時,電表拉閘斷電警告,此時將IC卡插一次電表即恢復供電。如果拉閘后找不到本表IC卡,可借用鄰居IC卡插入,以恢復供電。
10、 購電提醒:當表內剩余電量小于“報警電量”時,“報警”LED指示燈將常亮提醒。
11、 故障申報:剩余電量顯示為零或負值時,“報警”LED指示,如電表仍繼續運行(應急賒欠除外),用戶應立即購電,并主動向供電部門反映情況。
12、在非工作時段和周休日及公共假日中,可以應急賒欠。當電量為0,而營業網點沒有上班購不到電時,可以插入購電卡,啟動應急賒欠。應急賒欠電量不能超過“賒欠限量”。
Copyright 2016 浙江拓強電氣有限公司 版權所有 未經本公司授權抄襲版面或傳播,定將追究法律 All Rights Reserved 浙ICP備15026934號-5